Air Door Thermaclean®

Key Features

  • Powder-Coated Cold Rolled-Steel Assembly
  • Recirculatory Technology Air Curtains
  • Adjustable Discharge and Intake Nozzles
  • Integrated HCR Sensors and Software
  • Remote Monitoring and Adjusting Capability

Major Benefits

  • Optimum Performance:

    Innovative air recirculatory technology eliminates frost, fog, or icy conditions resulting from two-way air exchanges.

  • Energy Efficiency

    Uses at least half the energy of competing solutions when stopping air infiltration and heat transfer in coolers and freezers.

  • Superior Functionality

    Adjustable mechanisms and programmable software enhances refrigeration efficiency in real-time and with minimum disruption.

3 people in white coats and hair nets stand in front of an open metal doorway

General Specifications

  • Mounting Option: Unit can be mounted on either the warm side or cold side of the wall or split.* Can be used in conjunction with new or existing doors for a hybrid solution.
  • Assemblies Finish: Corrosion-resistant multi composite.
  • Control Panel:
    • Panel-mounted on/off indicator light
    • NEMA 1 enclosure
  • Power Supply: 208/230/480 VAC | 3HP / 60 Hz.
  • Activation: Remote control, radar sensors, induction loop, pull cord \ switch, proximity sensors, key switch, digital pad.
  • Control Panel: Complete NEMA 3, 4, 4x, 4x stainless, or 12 requirements.
  • Heater Alternative: Hot gas coil instead of resistive heat.

*Depending on temperature differential insulation cladding may be required.

Air Flow Patterns

Diagram describing how flow-through forces are countered. Induced secondary airflow on each side, going opposite directions, creates air mixing and prevents temperature transfer between the cold side and the warm side.

Technical Drawing

Plan View

Diagram labelling the curbs, power and control panels, model assisted motorized strip door (if ordered), and doorway protection by others.

Elevation

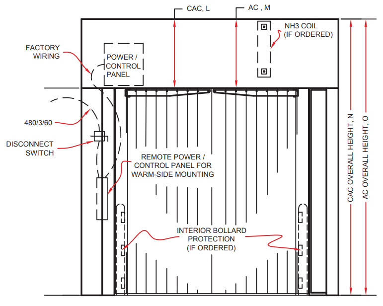
 Diagram labelling the CAC L, the AC M, the MH3 Coil (if ordered), the interior bollard protection (if ordered), the CAC overall height (N) and the AC overall height (O). It also labels the power and control panel, with factory wiring connecting it to the remote power / control panel for warm side mounting. From there, another wire labelled 480/3/60 routes into and out of the disconnect switch.Diagram labelling the CAC L, the AC M, the MH3 Coil (if ordered), the interior bollard protection (if ordered), the CAC overall height (N) and the AC overall height (O). It also labels the power and control panel, with factory wiring connecting it to the remote power / control panel for warm side mounting. From there, another wire labelled 480/3/60 routes into and out of the disconnect switch.

Bollard Section

 Diagram describing interior forklift protection. Labels the 6" channel and 4" IPS.Diagram describing interior forklift protection. Labels the 6" channel and 4" IPS.

Additional Products

Bollards

Protect property by establishing safety posts and guiding vehicle traffic

Contact Us

Have questions? We have answers. Whether you’re looking for a specific piece of equipment, inquiring about delivery dates, maintenance scheduling, or something else, our Allmark representatives are here with the answers you need. Give us a call or get a quote today!

Allmark Doors: All Doors. All Docks. All Service. All the Time.

Preventive Maintenance

Planned maintenance to keep your facility operating at peak efficiency all year long